MBD Bathrooms
MBD Bathrooms
Checkout
Toilets
Toilets
Closed Coupled
Closed Coupled Back to Wall
Back to wall for furniture
With Built in Bidet
Wall Hung
High Level Toilets
Low Level Toilets
Rimless Toilets
Short Projection Toilets
Toilet Seats
Standard
Shaped
Impulse Toilet Seats
Toilet Accesories
Wall Hung Toilet Frames
Toilet Styles
Modern / Contemporary
Classic / Traditional
Basins
Basins
Washbowls / Countertop Basins
Cloakroom Wall Mounted Basins
Full Pedestal Basins
Semi Pedestal Basins
Semi Countertop Basins
Inset Vanity Basin
Basin Only
Basin and Washstand
Compact Basin
Pedestal Only
Undercounter Basin
Worktop and Basin
Base Plinth Only
Shower Enclosures
Shower Enclosures
Pivot Shower Doors
Bifold Shower Doors
Infold Shower Doors
Sliding Shower Doors
Quadrant and Offset Quadrant Shower Enclosures
Corner Entry Shower Enclosures
Walk In Shower Enclosures
Wet Rooms Shower Panels
D Shaped Shower Enclosures
3 Sided Shower Enclosures
Pentagon Shower Enclosures
Custom Made Shower Doors
Reduced Height Shower Doors
Low Threshold Easy Access Doors
Wetrooms
Wet Room Kits
Aco Wet Room Drains
AKW Wet Room Kits
AKW Underfloor Heating
Over Bath Screens
Bath screens
Sliding Bath screens
Shower Door Finder
Help me choose a shower door
Showers
Shower Controls
Shower Valves
Electric Showers
Fixed Shower Heads
Slide Rail Kits
Shower Trays
Rectangular & Square Shower Trays
Offset & Quadrant Shower Trays
25mm Thick Shower Trays
Anti Slip Shower Trays
Deep Shower Trays
Shower Accessories
Shower Accessories
All Bathroom Wall Panelling / Cladding
PVC Bathroom Wall Panelling / Cladding
Laminate Bathroom Wall Panelling / Cladding
Baths
Freestanding baths
Single Ended
Double Ended
Back to wall
Corner fitting
Slipper Bath
Showering Baths
P Shaped and L Shaped
Corner
Walkin Baths
Walkin Baths
Standard Baths
All Rectangular Baths
Corner Baths
Offset Corner Baths
Corner Baths
By Manufacturer
BTL Baths
Kartell Baths
Trojan Baths
Bath Thickness
Standard
8mm
Reinforced / Extra Strong
Bath Accessories
Bathscreens
Bath panels
Furniture
Furniture
Modular Bathroom Furniture
White Bathroom Furniture
Modern Fitted Bathroom Furniture
Traditional Fitted Bathroom Furniture
Bathroom Furniture Packs with Basins
Worktops
Mirrors
Standard Mirrors
Illuminated Mirrors
BTL Mirrors
Makeup & Shaving Mirrors
Bathroom Cabinets
Bathroom Wall Panels / Wall Cladding
PVC Wall Cladding
Laminate Wall Cladding
Marble Effect Wall Cladding
Wood Effect Wall Cladding
Heating
Radiators
Horizontal Radiators
Vertical Radiators
Curved Radiators
Curved Radiators
Ladder Radiators
Traditional Radiators
Accessories
Under Tile Electric Heating
Radiator Valves
Taps
Bathroom Taps
Bath Taps
Basin Taps
Freestanding Basin Taps
Bidet Taps
Wall Mounted Taps
Freestanding Bath Taps
Kitchen Taps
Modern Kitchen Taps
Traditional Kitchen Taps
Black Kitchen Taps
Filtered Kitchen Taps
Instant Hot Water / Boiling Kitchen Taps
Pull Out Spout Kitchen Taps
Brands
Abode
InSinkErrator
Prima
Accessories
Bathroom Acessories
Grab Rail
Robe Hook
Soap Dish
Storage Basket
Toothbrush Tumbler
Towel Rail
Towel Ring
Wall Mounted Soap Dispenser
Shower Acessories
Shower Seats
Toilet Acessories
Cistern Lever
Concealed Cistern
Replacement Cistern Lids
Toilet Brushes
Toilet Brushes - Wall Mounted
Toilet Flushing Valves
Toilet Flush Plates
Toilet Roll Holder
Toilet Seats
Toilet Wall Mounting Fixing Frames
Lighting
Bathroom Lighting
Ceiling Light
Wall Light
Kitchens
Appliances
Ovens
Freestanding Cookers
Microwaves
Dishwashers
Hoods
Ducting
Hobs
Coffee Machines
Laundry
Refrigeration
Warming Drawers
Kitchen Accessories
Splashbacks
Kitchen Sinks
Butler Sinks
Belfast Sinks
Ceramic Sinks
Cleaners Sinks
Composite / Granite
Stainless Steel Sinks
Waste Disposal Units
Contact Us
Contact us
Contact us
Home
»
More.....
»
Roxor Group
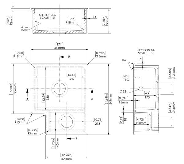
Undermount Sink Central Waste 1.5 Bowl 549x441x195 RH
Viewed xx times in the last 24 hours
Purchased xx times in the last 7 days
Product ID
PS130H22R
Manufacturer
Ultra
More..... from Ultra
Delivery Details
Free Delivery
Delivery Charge :
3 - 7 Days
Delivery timescale :
5
Available Stock :
List Price:
£320.00
You save £101.00
£219.00
All our prices include VAT
Undermount Sink Central Waste 1.5 Bowl 549x441x195 RH by Ultra
A timeless yet unique design that makes the perfect centrepiece.
Hand crafted using high quality materials by our master potters.
Easy to clean.
Smooth non-porous glaze for a robust heardwearing surface.
Crisp white finish.
Product Weight: 20.5000 kg
Product Height: 195 mm
Product Width: 549 mm
Product Depth: 441 mm
Number of Tap Holes: 0
Waste Included: No
Bowl Shape: Rectangular
Number of Bowls: 1.5
Inner Bowl Height: 175.0000 mm
Product Reviews
No Reviews For This Product.
Click to review this product
« Previous
|
Next »
Neff N90 CL4TT11G0 2.4L Coffee Machine - Black w/Graphite Grey Trim
£1,994.70
AEG NKC8N7B 2.5L Coffee Machine - Black
£1,904.52
Bosch Series 8 CTL7181B0 2.4L Coffee Machine - Black
£2,013.01
Small Bathroom Ideas